Описание
Основные характеристики:
Программируемые входы/выходы общим количеством 21, в том числе:
- Дискретных входов: 8;
- Аналоговых входов: 4;
- Дискретных выходов: 6;
- Аналоговых выходов: 3;
Встроенный LCD-дисплей 98×64 px, 29.4×19.2 мм: Да;
Возможность подключения выносного LCD-дисплея 128×64 px: Да;
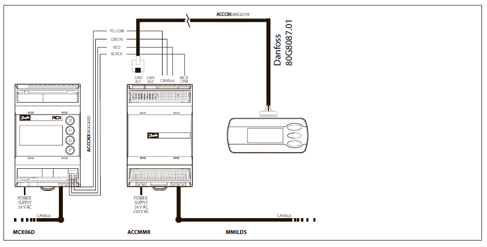
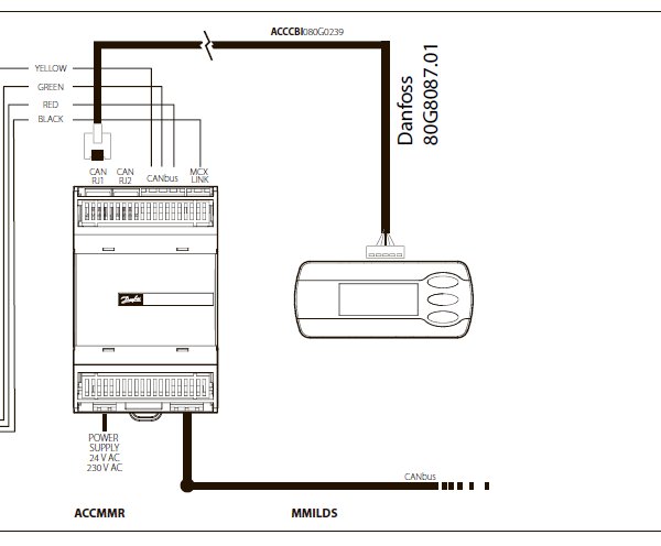
Интерфейс CANbus: Да;
Интерфейс RS485: Нет;
Часы реального времени: Нет;
Компактный программируемый контроллер Danfoss MCX06D размером 4 DIN модуля. К контроллеру прилагается набор клеммных разъёмов. Минимальный заказ — 1 шт.
Контроллеры Danfoss MCX широко примененяются для задач автоматизации вентиляции, кондиционирования, тепло- холодоснабжения зданий. Его отличительные особенности:
● Программируемость;
● Возможность использования универсальных конфигурируемых приложений;
- Вентиляция
- Чиллер с режимом теплового насоса
- Компрессорная централь
- Водяной контур (водоохладители + градирни)
- Крышный кондиционер (руфтоп)
- Прецезионный кондиционер
- Фанкойл
- Управление освещением
| Питание | 20…60 V DC или 24 V AC. Максимальная потребляемая мощность: 6 W или 9 VA. |
| Аналоговые входы | AI1, AI2 | Поддерживаемые типы сигналов:
• NTC10k B3435 |
| AI3, AI4 | Поддерживаемые типы сигналов:
• NTC10k (B3435) Встроенный источник питания 12 V DC для активных датчиков 4-20 mA. Допустимая суммарная нагрузка 50 mA. Встроенный источник питания 5 V DC для активных датчиков 0-5 V. Допустимая суммарная нагрузка 80 mA. |
|
| Дискретные входы | DI1…DI8 | Сигналы типа сухой контакт. |
| Аналоговые выходы | AО1, AО2 | 0-10 V, макс. ток нагрузки 10 mA. |
| AО3 | Импульсный выходной сигнал 0/10 V: • Широтно-импульсная модуляция на частоте 100-500 Hz. • Фазо-импульсная модуляция Минимальное сопротивление нагрузки 1KOhm. |
|
| Дискретные выходы | DO1…DO5 | Нормальноразомкнутые контакты. • Резистивная нагрузка 30 V DC / 250 V AC – макс. ток 5 А, ресурс 100.000 срабатываний. • Индуктивная нагрузка 250 V AC – макс. ток 0,7 А, ресурс 100.000 срабатываний при cosφ = 0,5. |
| DO6 | Перикидной контакт. • Резистивная нагрузка 30 V DC / 250 V AC – макс. ток 8 А, ресурс 100.000 срабатываний. • Индуктивная нагрузка 250 V AC – макс. ток 4 А, ресурс 100.000 срабатываний при cosφ = 0,6. |
Документация:
Больше информации о программировании контроллера и инструкции по универсальным конфигурируемым приложениям вы можете найти на сайте http://www.mcx.support/
Наш канал на Youtube: https://www.youtube.com/channel/UCM2fFhaOZ-xWIFKveC8wU6Q.





